Von Anfang an hatte ich mir gewünscht, eine Indikation des Tankstandes des Fahrzeugdieseltanks im Aufbau und in unserer Fahrzeug-App zu haben.
Leider ist dies nicht so einfach zu realisieren. Entweder man baut einen zweiten Tankgeber ein, was ich auf keinen Fall wollte, oder… Ja, was oder? Eben. Solange man die original Tankuhr verwenden möchte, kann man den Widerstandswert des Tankgebers nicht unabhängig ermitteln und damit auch keine gängigen Methoden zur Anbindung eines Tankgebers nutzen.
Kürzlich kam mir eine sehr kompakte Schaltung mit einer ESP32 CPU, 4 MB Flash, WLAN und Bluetooth in die Finger, welche in der Lage ist, eine Spannung im Bereich von 0-30 V sehr genau zu bestimmen. Spontan kam mir die Idee, damit endlich die schon lange vorgesehene Erfassung des Dieselstands im LKW umzusetzen. Verwendet habe ich hierfür einen Shelly Uni Plus. Leider hat dieser eine Versorgungsspannung bis maximal 28V DC, was im laufenden Betrieb durchaus überschritten werden könnte. Um zu vermeiden, dass ich mir die Schaltung frittiere, habe ich einfach drei “Wald & Wiesen”-Dioden (1N4007) aus der Bastelkiste vorgeschaltet. Durch den Spannungsabfall von ~ 2,1V bin ich auf der sicheren Seite. Ja, kann man schöner lösen, muss man aber für ein Feierabendprojekt nicht unbedingt ;-).
Laut Schaltplan der Fahrzeugelektrik ergibt sich über den Tankgeber in Verbindung mit der bordeigenen Tankuhr im Armaturenbrett ein Spannungsteiler, der einen Spannungswert liefert, der indirekt proportional zur Dieselmenge sein müsste…
Die Schaltung liefert zusätzlich zwei Digitaleingänge und einen Zählereingang, die mit bis zu 30 V beaufschlagt werden können, sowie zwei potentialfreie Schaltelemente, die mit 250 mA belastbar sind. Schnell war auch dafür eine Verwendung gefunden – man soll ja nichts ungenutzt lassen.
Nahe der Tankanzeige lässt sich eine Spannung abgreifen, die durch die Zündung geschaltet wird, und über die Skalenbeleuchtung erhält man Informationen darüber, ob das Licht eingeschaltet ist. Diese Infos wanderten an die Digitaleingänge (+Pull-Down-Widerstand gegen Masse für ein sauberes Signal). Der Counter-Eingang bekommt eine Verbindung zur Motordrehzahlanzeige (Klemme W).
Wozu diese Informationen gut sind? Sie erlauben mir z. B. die Frischwasserpumpe auszuschalten, sobald der Motor gestartet wird. Dadurch wird ein Desaster vermieden, wenn sich beispielsweise durch Vibrationen eine Schlauchverbindung lösen sollte. Auch kann ich die Abluft unserer Trockentrenntoilette auf maximal stellen, um zu vermeiden, dass durch den Fahrtwind das “Odeur” in den Innenraum gedrückt wird. Und ganz nebenbei kann eine SMS, dass in Abwesenheit der Motor gestartet wurde, auch ganz informativ sein…
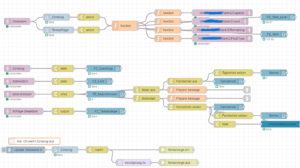
Etwas Programmierung und empirische Ermittlung des Verhältnisses zwischen erfasster Spannung und Tankfüllung sowie zwischen erfasster LiMa-Frequenz und Motordrehzahl später, werden nun diese Werte über WLAN an den MQTT-Server (Datenerfassung) der Wohnkabine weitergegeben. Dort werden sie über Flows in Node-Red aufbereitet und können über unsere eigene Bord-App, sowie das Victron-System angezeigt werden.
Der Shelly bietet im Übrigen die Möglichkeit direkt auf dem Gerät zu scripten. Die Berechnung des Tankstandes und der Drehzahl erfolgt also direkt durch den ESP32. Im MQTT-Broker stehen deshalb gleich die richtigen Werte an.

Der Dieselstand lässt sich auf diese Weise aber nur ermitteln, wenn die Zündung aktiv ist, da die Tankuhr mit Strom versorgt sein muss. Um auch im Stand regelmäßig den Tankstand zu ermitteln, habe ich einen der Ausgänge zur Aktivierung der Tankanzeige genutzt. Da jedoch 250 mA nicht ausreichen, um die Zündung zu aktivieren, wird über eine Diode ein Rückstrom ins Fahrzeug bei Aktivierung der Tankuhr unterbunden. Ihr erinnert euch an meine Quick & Dirty-Lösung um die Spannung um 2,1 V zu senken? An dieser Stelle erwies sie sich als gute Idee :-).
Auf ersten Testfahrten und Tankvorgängen verhält sich die digitale Tankanzeige wie die Anzeige des Schätzeisens im Armaturenbrett, und die Drehzahl stimmt sehr zuverlässig.
Arbeitszeit und Kleinmaterial nicht berücksichtigt (wer tut das beim Hobby 😊), hat das ganze rund 20 EUR gekostet und sehr viel Spaß gemacht.
Stückliste:
- Shelly Uni Plus
- 3x 1N4007 (jede andere Standarddiode tut’s auch, wenn’s schöner sein soll, bastelt was mit einer Zener-Diode)
- Kleinmaterial: etwas Kabel, Schrumpfschläuche, WAGO-Klemmen und Kabelschuhe

Neueste Kommentare